Магазин запчастей для бытовой техники - Arlos
Москва
close
Выберите ваш регион
АбаканАлександровАльметьевскАнгарскАрзамасАрмавирАртемАрхангельскАстраханьАчинскБалаковоБалашихаБеларусьБелгородБердскБерезникиБийскБлаговещенскБратскБрянскВеликий НовгородВидноеВладивостокВладикавказВладимирВолгоградВолгодонскВолжскийВологдаВолховВоркутаВоронежВоскресенскВыборгГатчинаГеленджикГрозныйДедовскДербентДзержинскДзержинскийДимитровградДмитровДолгопрудныйДомодедовоДонецкЕвпаторияЕгорьевскЕкатеринбургЕлецЕссентукиЖелезногорскЖелезнодорожныйЖуковскийЗеленоградЗлатоустИвановоИвантеевкаИжевскИркутскИстраЙошкар-ОлаКазаньКалининградКалугаКаменск-УральскийКамышинКаспийскКемеровоКерчьКировКисловодскКлинКовровКоломнаКомсомольск-на-АмуреКопейскКоролёвКостромаКотельникиКрасногорскКраснодарКраснознаменскКрасноярскКурганКурскКызылЛенинск-КузнецкийЛипецкЛобняЛыткариноЛюберцыМагнитогорскМайкопМалаховкаМахачкалаМиассМоскваМурманскМуромМытищиНабережные ЧелныНазраньНальчикНаро-ФоминскНахабиноНаходкаНевинномысскНефтекамскНефтеюганскНижневартовскНижнекамскНижний НовгородНижний ТагилНовокузнецкНовокуйбышевскНовомосковскНовороссийскНовосибирскНовоуральскНовочебоксарскНовочеркасскНовошахтинскНовый УренгойНогинскНорильскНоябрьскОбнинскОдинцовоОктябрьскийОмскОрелОренбургОрехово-ЗуевоОрскПавловский ПосадПензаПервоуральскПермьПетрозаводскПетропавловск-КамчатскийПодольскПрокопьевскПсковПушкиноПятигорскРаменскоеРеутовРостов-на-ДонуРубцовскРыбинскРязаньСакиСалаватСамараСанкт-ПетербургСаранскСаратовСевастопольСеверодвинскСеверскСергиев ПосадСерпуховСимферопольСмоленскСосновый БорСочиСтавропольСтарый ОсколСтерлитамакСтупиноСургутСызраньСыктывкарТаганрогТамбовТверьТихвинТольяттиТомилиноТомскТроицкТулаТюменьУлан-УдэУльяновскУссурийскУсть-ИлимскУфаУхтаФеодосияФрязиноХабаровскХанты-МансийскХасавюртХимкиЧебоксарыЧелябинскЧереповецЧеркесскЧеховЧитаШахтыЩелковоЭлектростальЭлистаЭнгельсЮжно-СахалинскЯкутскЯлтаЯрославль
  • - бесплатно по РФ
    Автоперезвон. Работает по принципу: Вы позвонили на номер, мы сбрасываем звонок и перезваниваем через 3 секунды.
  • - по Москве
  • 8 (925) 663-83-63

Call-центр

пн-вс: 10:00-19:00

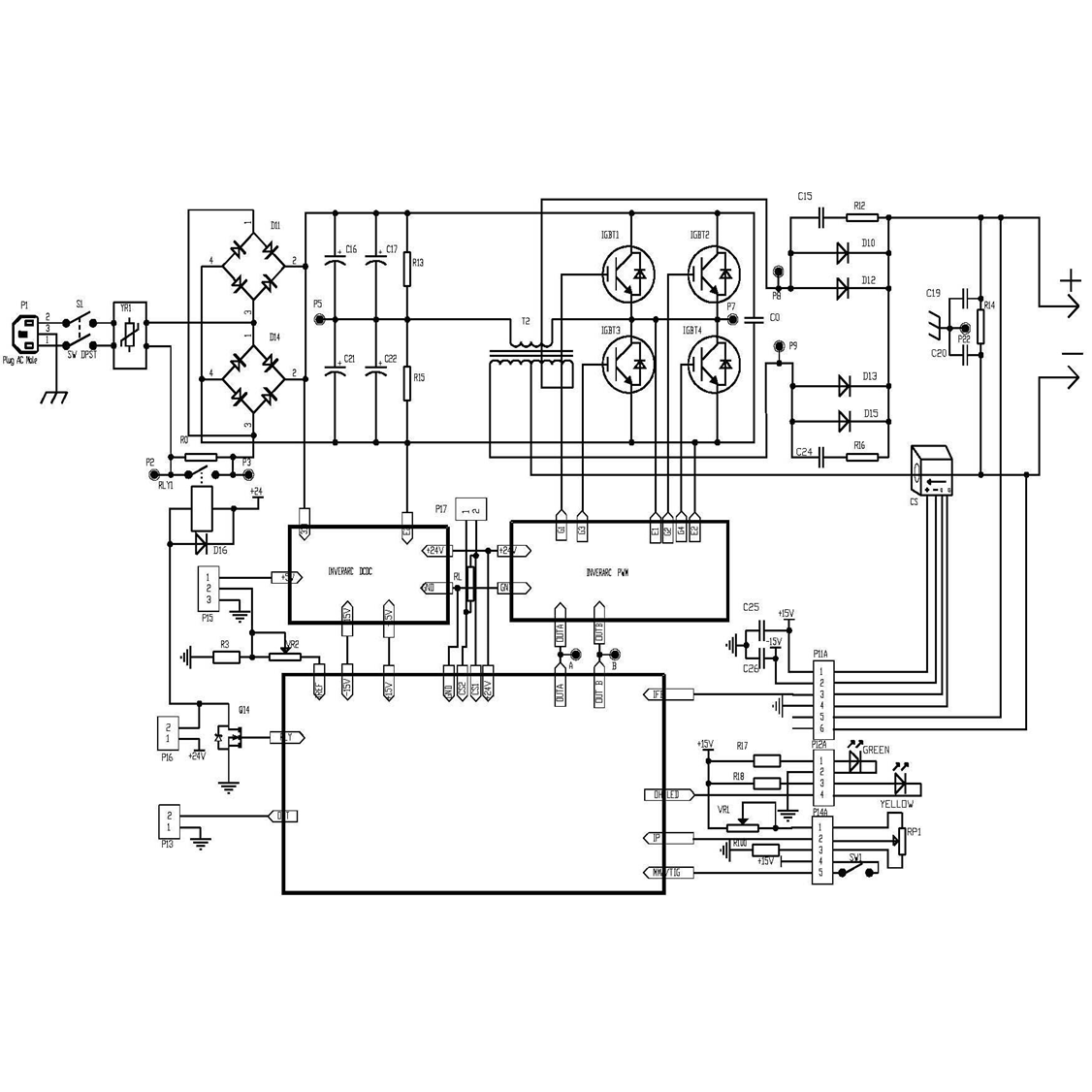
Сварочный инвертор, ММА ЗАС-М3-220

Данная модель имеет несколько схем

NАртикулНазваниеСрок отгрузкиЦенаКупить
1 N000-002-258 Ручка
2 N000-002-259 Корпус
3 V000-000-120 Трансформатор
4 N000-002-261 Основание
5 N000-002-262 Ремень плечевой
6 V000-000-143 Выключатель с индикатором 273 р.
7 N000-002-105 Вентилятор WX12038 DC24V 1.211 р.
8 V000-000-162 Регулятор напряжения 201 р.
9 N000-002-107 Рукоятка потенциометра 90 р.
10 V000-000-219 Термозащита
11 V000-000-220 Транзистор
12 V000-000-147 Мост диодный GBPC3510 (35А) 372 р.
13 V000-000-166 Термостат KSD303 250V 10A 85° 164 р.
14 N000-002-019 Радиатор охлаждения
15 N000-002-113 Крепление радиатора 92 р.
16 N000-002-114 Датчик тока HGC100BR 100A/4V 1.036 р.
17 N000-002-115 Шина выходная 402 р.
18 N000-019-387 Диод MM60FU030 207 р.
19 V000-000-224 Конденсатор
19 V000-000-224-2 Конденсатор (К50-35), 1500 мкФ, 200 В электролитический 965 р.
20 N000-002-071 Плата в сборе 6.784 р.
22 N000-002-279 Индикатор светодиодный
23 N000-002-255-2 Коннектор сварочного кабеля 20-10
24 U529-900-082 Опора резиновая 92 р.
25 N000-002-282 Решётка вентилятора
26 N000-002-121 Панель передняя 638 р.
27 N000-014-412 Кабель сварочный с держателем электрода
28 N000-014-413 Кабель заземления с зажимом
29 N000-020-121 Кабель электрододержатель 22.5MM2х1.8M
30 N000-020-122 Кабель земли 22.5мм2 1.2м
Найдено товаров: 30
1
▲ Наверх
0
8 (925) 663-83-63

Call-центр

пн-вс: 10:00-19:00

НАЙТИ ПО МОДЕЛИ
Введите номер заказа
Введите номер своего заказа, что бы узнать его текущий статус.
Что бы получить доступ к расширенным функциям, пройдите не сложную регистрацию. Зарегистрироваться